본문바로가기
productst > High pressure Type

K-20F

본문

Low noise, ball bearing, high efficiency wings
Excellent corrosion resistance and durability, with long life and fewer faults

MODEL : K-20F

Specification

  • Power(V)    220
  • Current(A)    0.26
  • Input(W)    46.7
  • R.P.M    1,675
  • Air Flow(m 3/hr)    900
  • Fan Size    200
  • Weight(kg)    27
      
      

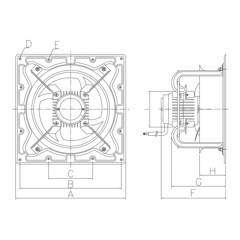
Dimension

  • A    300
  • B    275
  • C    120
  • D    Ø6
  • E    Ø5
  • F    175
  • G    147
  • H    71
  • I    Ø100

High pressure Type 목록

 
위로