본문바로가기
제품소개 > 유압형환풍기

K-20F

본문

저소음, 볼베어링 채택, 고효율 날개

내식성 및 내구성이 우수하여 수명이 길고 고장이 적음

MODEL : K-20F

Specification

  • Power(V)    220
  • Current(A)    0.26
  • Input(W)    46.7
  • R.P.M    1,675
  • Air Flow(m 3/hr)    900
  • Fan Size    200
  • Weight(kg)    27
      
      

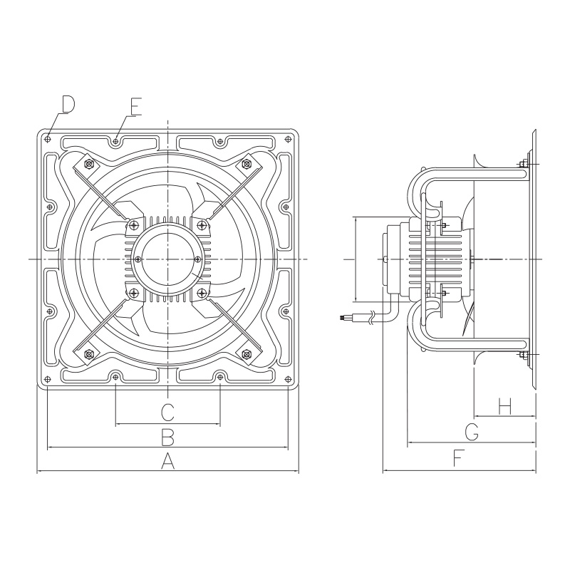
Dimension

  • A    300
  • B    275
  • C    120
  • D    Ø6
  • E    Ø5
  • F    175
  • G    147
  • H    71
  • I    Ø100

유압형환풍기 목록

 
위로