본문바로가기
제품소개 > 유압형환풍기

K-35F

본문

저소음, 볼베어링 채택, 고효율 날개

내식성 및 내구성이 우수하여 수명이 길고 고장이 적음

공장, 창고, 원예온실, 비닐하우스, 대풍량이 필요한 장소 

MODEL : K-35F

Specification

  • Power(V)    220
  • Current(A)    0.35
  • Input(W)    80
  • R.P.M    1,580
  • Air Flow(m 3/hr)    3,120
  • Fan Size    350
  • Weight(kg)    5
      
      

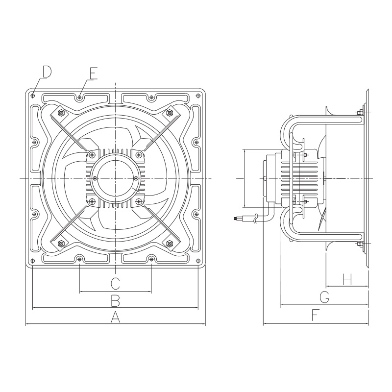
Dimension

  • A    445
  • B    415
  • C    200
  • D    Ø7
  • E    Ø7
  • F    190
  • G    160
  • H    73
  • I    Ø100

유압형환풍기 목록

 
위로