본문바로가기
productst > New High pressure Type

KG-30N

본문

It's quiet and wind is strong and wind.
Use a low noise and durability.
My life is excellent and durability and durability is long.
The outer tube is difficult and slim.​​

MODEL : KG-30N

Specification

  • Power(V)    220
  • Current(A)    0.30
  • Input(W)    65
  • R.P.M    1,700
  • Air Flow(m 3/hr)    1,700
  • Fan Size    300
  • Weight(kg)    2.4
      
      

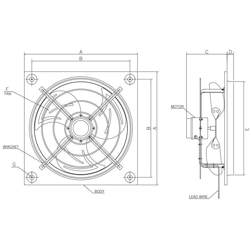
Dimension

  • A    383
  • B    325
  • C    134
  • D    25
  • E    307
  • F    300
  • G    5.9
  • H    
  • I    

New High pressure Type 목록

 
위로