본문바로가기
productst > New High pressure Type

KG-35N

본문

It's quiet and wind is strong and wind.
Use a low noise and durability.
My life is excellent and durability and durability is long.
The outer tube is difficult and slim.​​

MODEL : KG-35N

Specification

  • Power(V)    220
  • Current(A)    0.30
  • Input(W)    65
  • R.P.M    1,590
  • Air Flow(m 3/hr)    2,800
  • Fan Size    350
  • Weight(kg)    3.0
      
      

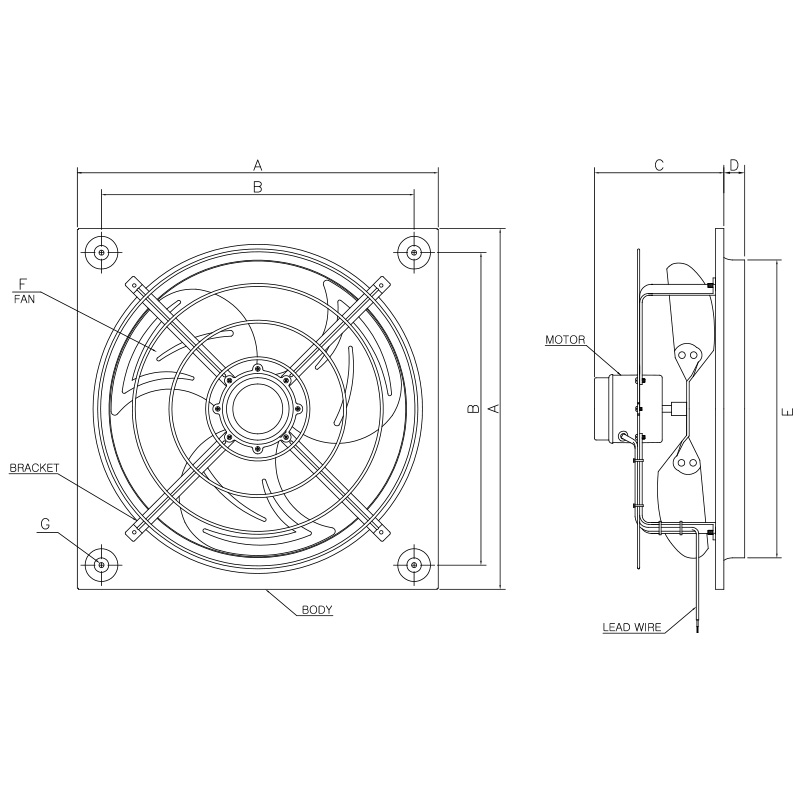
Dimension

  • A    433
  • B    375
  • C    134
  • D    25
  • E    357
  • F    350
  • G    5.9
  • H    
  • I    

New High pressure Type 목록

 
위로