본문바로가기
제품소개 > 뉴고압형환풍기

KG-35N

본문

고효율 날개로 조용하고 풍량이 강합니다.

소음이 적고 내구성이 강한 볼베어링을 사용합니다.

내식성 및 내구성이 우수하여 수명이 오래갑니다.

아이보리 색상으로 외관이 미려하고 슬림합니다.

MODEL : KG-35N

Specification

  • Power(V)    220
  • Current(A)    0.30
  • Input(W)    65
  • R.P.M    1,590
  • Air Flow(m 3/hr)    2,800
  • Fan Size    350
  • Weight(kg)    3.0
      
      

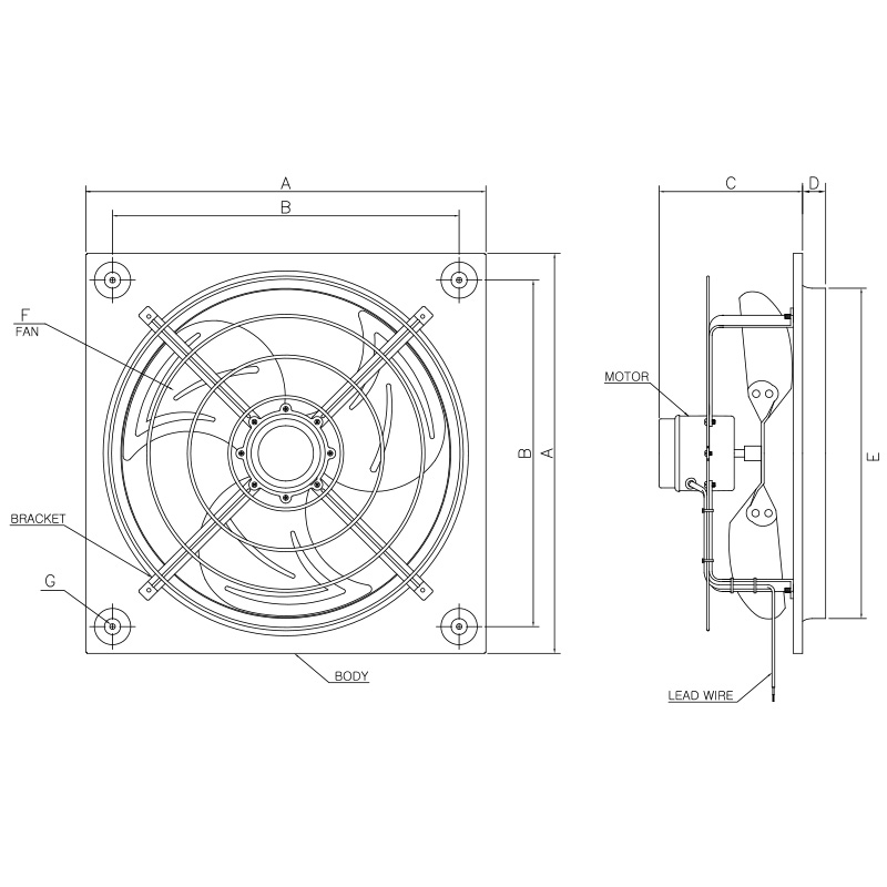
Dimension

  • A    433
  • B    375
  • C    134
  • D    25
  • E    357
  • F    350
  • G    5.9
  • H    
  • I    

뉴고압형환풍기 목록

 
위로